- Struttura compatta con una lunghezza minima di 545 mm
- Funzione Smart Guide per una struttura del menu guidata e facilmente utilizzabile dall’operatore

Le selezionatrici ponderali SSV di Anritsu consentono un controllo peso preciso e affidabile in un formato estremamente compatto. La loro interfaccia comune con i sistemi di ispezione a Raggi-X e Metal Detector ne semplifica l’uso con tutte le attrezzature Anritsu.
Con otto generazioni e 85.000 installazioni in tutto il mondo, le selezionatrici ponderali Anritsu sono progettate per un utilizzo affidabile ed una precisione fino a ±0,01 g a 3σ, con una velocità fino a 600 prodotti/minuto.
Le selezionatrici ponderali Anritsu offrono sicurezza e produttività eccezionali per i diversi settori alimentari, anche in combinazione con il Metal Detector.
Le selezionatrici ponderali convenzionali utilizzano il segnale della cella di pesatura, dopo l’elaborazione del segnale, per determinare il peso di ogni prodotto al passaggio sulla bilancia di pesatura. Se due confezioni sono sulla bilancia di pesatura contemporaneamente, si verifica un “doppio errore di prodotto” e il sistema è costretto a rifiutare entrambi i prodotti, poiché non è possibile determinare il peso di ogni singolo prodotto.
I progressi delle selezionatrici ponderali Anritsu della serie SSV con un’innovativa elaborazione del segnale, un sistema di filtri migliorato, e in combinazione con una migliore risoluzione della bilancia, permettono di ridurre al minimo “errori di doppio prodotto”. Questo riduce al minimo anche gli scarti inutili e massimizza la produttività dell’intera linea.
Dotato di un’elevata velocità e di un accurato bilanciamento, il sistema di pesatura SSV-h soddisfa i requisiti di controllo qualità di tante linee di produzione. Infatti, soddisfa i rigorosi standard di precisione ed affidabilità dei prodotti alimentari industriali e farmaceutici con una velocità massima di 600 prodotti al minuto ed una precisione di ±0.01 g.
Dispone di componenti impermeabili e antipolvere. Il suo design igienico è perfetto per alimenti non confezionati e freschi che richiedono un rigoroso controllo sanitario.
Dotata di una cella di carico ad estensimetri altamente versatile e quindi ideale per una ampia gamma di applicazioni, compresi prodotti pesanti.


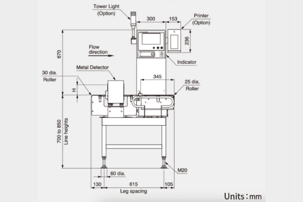
La Selezionatrice Ponderale SSV e il Metal Detector M6 di Anritsu possono essere combinati, a doppia frequenza, su un unico telaio con controlli unificati. Il Metal Detector è completamente integrato ed il display/interfaccia unificata permette di eseguire i controlli HACCP e estrarre tutti i dati utili. La combo Anritsu offre prestazioni e produttività al top grazie alla precisione della selezionatrice ponderale fino a ±0,01g a 3σ, ad una velocità fino a 400 prodotti/min e alla rilevazione simultanea a doppia frequenza dei Metal Detector M6.
Scrivici per ricevere informazioni tecniche per il tuo prodotto alimentare o per una presentazione più approfondita della macchina.
*campi del modulo obbligatori.
I Metal Detector Anritsu rilevano i contaminanti metallici tra cui ferrosi, acciaio inossidabile e alluminio. L’esclusiva tecnologia…